Paints, Colors & Resines
- Applications with water based colors
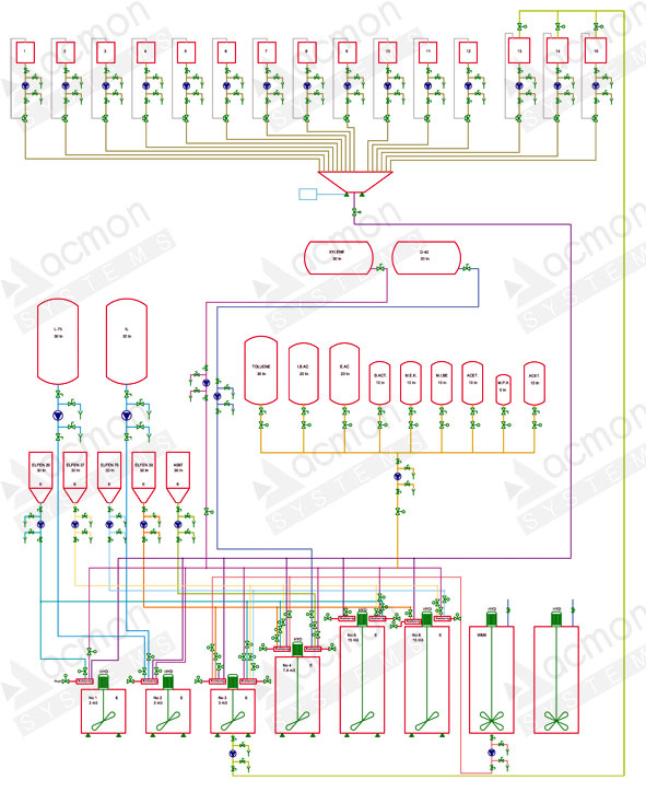
Indicative plant layout - Applications with solvents
Indicative plant layout - Applications with resines
Indicative plant layout
See also at Chemicals:
Paints, Colors & Resines |
Wastewater Treatment





We do believe that the best way to justify the quality and the high level of the technical solutions of ACMON System's products is through our "live" projects.



