Bulk Handling Systems for over 25 years ...all over the world
View our portfolio

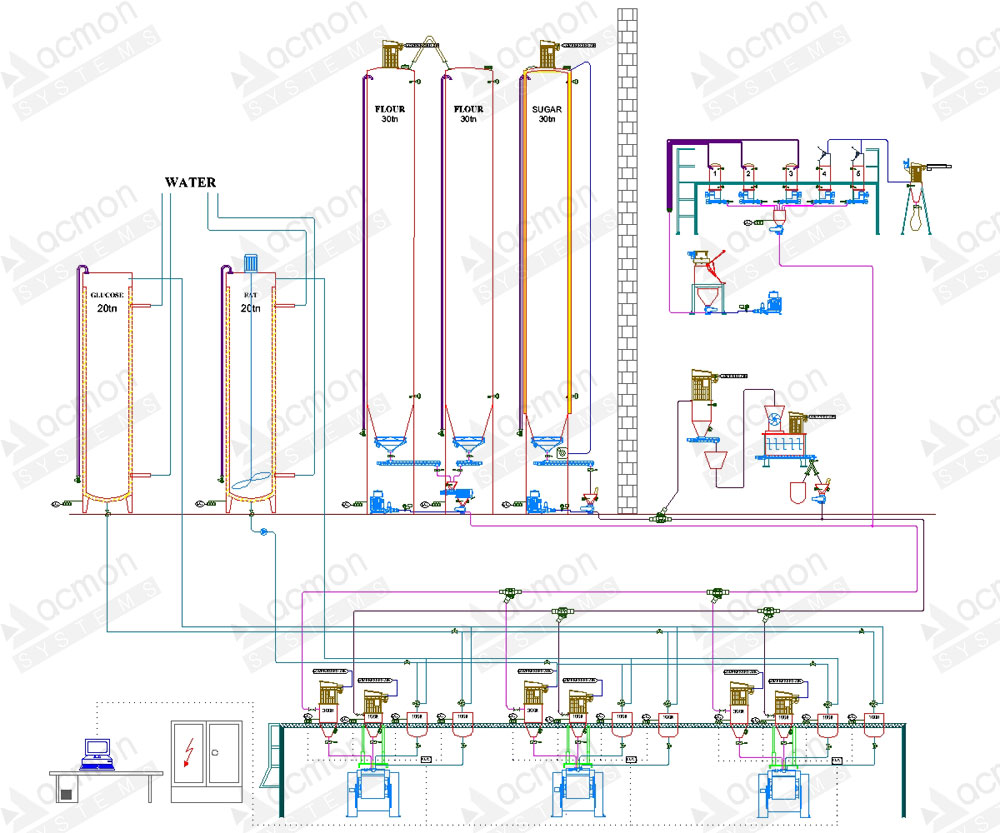
Bakery, pastry and biscuits

Acmon Systems designs and installs complete bulk materials handling systems for the following food industries:

  • Bakery industry
  • Dough industry
  • Biscuits industry

For above industries we design and manufacture systems covering the special needs of each one:



• Select the product categories you are interested in according to your process stage:














Know how important factors:





See also at Foods:
Small Bakery | Bakery, pastry and biscuits | Sweets & Confectionary | Dry Mixes | Pasta Industries
Projects
We do believe that the best way to justify the quality and the high level of the technical solutions of ACMON System's products is through our "live" projects.
See our projects
Clients
Acmon Systems boasts and impressive array of clients.
See all clients
Latest news
3/7/2020
George Moschakis in an interview with Food Reporter George Moschakis in an interview with Food Reporter


See all news
Product catalogue
View & Download our full Product catalogue